We ship from multiple warehouses throughout the USA
to get you what you need as fast as possible!
Millions of items in stock!
Fast online checkout - No account required
Cart 0
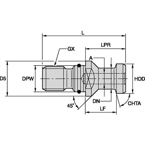
RK50DVBM PULL STUD SK50 DIN69872B O-RING - Americas Industrial Supply

RK50DVBM PULL STUD SK50 DIN69872B O-RING


Item #: WK221192429
Brand: Widia
Model #: 1192429

Product Specifications
Body Diameter (BD) 28 mm
Body Length (LB) 74 mm
Connection Retention Knob Thread Size (CRKS) M24 × 3
Body Length_2 (LB_2) 34 mm
$25.70

2% Off All Online Orders
Use Code: 2%OFF

Best Price Guarantee - Email Us A Better Published Price and We'll Beat It