We ship from multiple warehouses throughout the USA
to get you what you need as fast as possible!
Millions of items in stock!
Fast online checkout - No account required
Cart 0
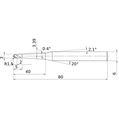
VF3XBR0150T0024L040 SOLID CARB EM

VF3XBR0150T0024L040 SOLID CARB EM


Item #: MB03451320
Brand: Mitsubishi Materials USA
Model #: 451320

Product Specifications
Cutting Diameter (DC) 3 mm
Usable Length (LU) 5 mm
Connection Diameter Machine Side (DCONMS) 6 mm
Corner Radius (RE) 1.5 mm
Depth of Cut Maximum (APMX) 2 mm
Neck Diameter (DN) 3.39 mm
Overall Length (OAL) 80 mm
Body Half Taper Angle (BHTA) 0.4 Degrees
Coating VF
Peripheral Effective Cutting Edge Count (ZEFP) 3
Flute Count (NOF) 3
Length Group Taper Neck
Flute Helix Angle (FHA) 30 Degrees
Measurement Type Metric
End Shape Ball
Series/List # VF3XB
$130.71

2% Off All Online Orders
Use Code: 2%OFF

Best Price Guarantee - Email Us A Better Published Price and We'll Beat It