We ship from multiple warehouses throughout the USA
to get you what you need as fast as possible!
Millions of items in stock!
Fast online checkout - No account required
Cart 0
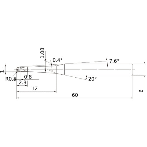
VF3XBR0050T0024L012 SOLID CARB EM

VF3XBR0050T0024L012 SOLID CARB EM


Item #: MB03450714
Brand: Mitsubishi Materials USA
Model #: 450714

Product Specifications
Cutting Diameter (DC) 1 mm
Usable Length (LU) 2.3 mm
Connection Diameter Machine Side (DCONMS) 6 mm
Corner Radius (RE) 0.5 mm
Depth of Cut Maximum (APMX) 0.8 mm
Neck Diameter (DN) 1.08 mm
Overall Length (OAL) 60 mm
Body Half Taper Angle (BHTA) 0.4 Degrees
Coating VF
Peripheral Effective Cutting Edge Count (ZEFP) 3
Flute Count (NOF) 3
Length Group Taper Neck
Flute Helix Angle (FHA) 30 Degrees
Measurement Type Metric
End Shape Ball
Series/List # VF3XB
$114.37

2% Off All Online Orders
Use Code: 2%OFF

Best Price Guarantee - Email Us A Better Published Price and We'll Beat It