
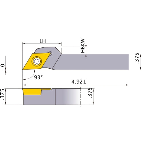
SDJCL-062SM TURNING HOLDER
Item #: MB03337244
Brand: Mitsubishi Materials USA
Model #: 337244
Product Specifications | |
---|---|
Shank Height (H) | 3/8″ |
Master Insert Identification (MIID) | DC__21.5 |
Shank Width (B) | 3/8″ |
Clamping System | Screw-On |
Overall Length (OAL) | 4.921″ |
Tool Type | Turning Tool Holder |
Functional Length (LF) | 4.921″ |
Measurement Type | Inch |
Cutting Direction (HAND) | Left Hand |
Series/List # | SDJC-SM_INCH |
2% Off All Online Orders
Use Code: 2%OFF
Best Price Guarantee - Email Us A Better Published Price and We'll Beat It