We ship from multiple warehouses throughout the USA
to get you what you need as fast as possible!
Millions of items in stock!
Fast online checkout - No account required
Cart 0
MS2XLD0090N150

MS2XLD0090N150


Item #: MB03289060
Brand: Mitsubishi Materials USA
Model #: 289060

Product Specifications
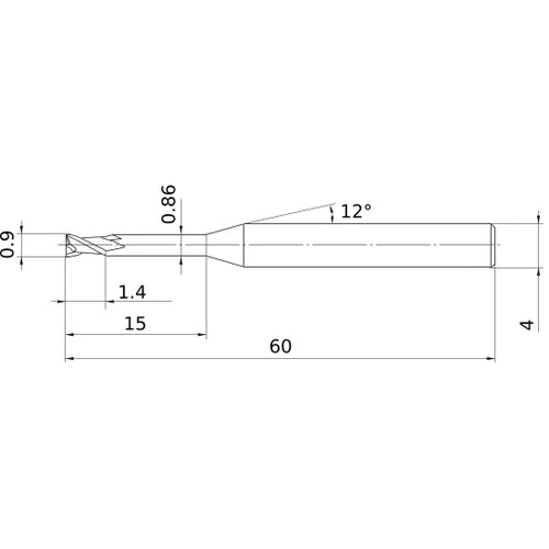
Cutting Diameter (DC) 0.9 mm
Usable Length (LU) 15 mm
Connection Diameter Machine Side (DCONMS) 4 mm
Neck Diameter (DN) 0.86 mm
Depth of Cut Maximum (APMX) 1.4 mm
Body Half Taper Angle (BHTA) 12 Degrees
Overall Length (OAL) 60 mm
Peripheral Effective Cutting Edge Count (ZEFP) 2
Coating MS
Length Group Long - Necked
Flute Count (NOF) 2
Measurement Type Metric
Flute Helix Angle (FHA) 30 Degrees
Series/List # MS2XL
End Shape Center Cutting
$86.69

2% Off All Online Orders
Use Code: 2%OFF

Best Price Guarantee - Email Us A Better Published Price and We'll Beat It