We ship from multiple warehouses throughout the USA
to get you what you need as fast as possible!
Millions of items in stock!
Fast online checkout - No account required
Cart 0
IMX20C3A200R10016

IMX20C3A200R10016


Item #: MB0310582145
Brand: Mitsubishi Materials USA
Model #: 10582145

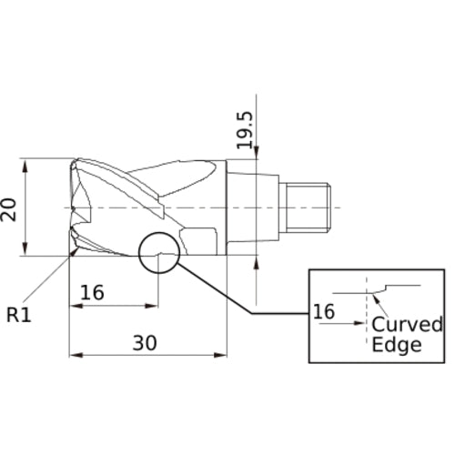
Product Specifications
Cutting Diameter (DC) 20 mm
Flute Helix Angle (FHA) 37.5 Degrees
Applicable Material Aluminum / Non-Ferrous Materials
Grade ET2020
Flute Count (NOF) 3
Measurement Type Metric
Corner Radius (RE) 1 mm
Cutting Edge Material Carbide
Depth of Cut Maximum (APMX) 16 mm
Series/List # iMX_C3A
Connection Diameter Machine Side (DCONMS) 19.5 mm
End Shape Corner Radius
Functional Length (LF) 30 mm
$266.30

2% Off All Online Orders
Use Code: 2%OFF

Best Price Guarantee - Email Us A Better Published Price and We'll Beat It