We ship from multiple warehouses throughout the USA
to get you what you need as fast as possible!
Millions of items in stock!
Fast online checkout - No account required
Cart 0
IMX12C4FD0500MC

IMX12C4FD0500MC


Item #: MB0310565506
Brand: Mitsubishi Materials USA
Model #: 10565506

Product Specifications
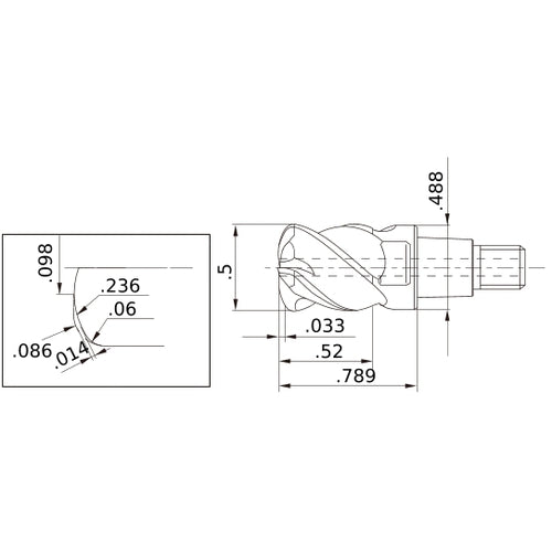
Cutting Diameter (DC) 1/2″
Flute Helix Angle (FHA) 45 Degrees
Applicable Material Steel | Stainless Steel | Super-Alloys / Titanium | Aluminum / Non-Ferrous Materials
Grade EP7020
Flute Count (NOF) 4
Measurement Type Inch
Corner Radius (RE) 0.06″
Cutting Edge Material Carbide
Depth of Cut Maximum (APMX) 0.033″
Series/List # iMX_C4FD_C_INCH
Connection Diameter Machine Side (DCONMS) 0.488″
End Shape Corner Radius
Functional Length (LF) 0.789″
Ramping Angle Maximum (RMPX) 3.6 Degrees
$152.90

2% Off All Online Orders
Use Code: 2%OFF

Best Price Guarantee - Email Us A Better Published Price and We'll Beat It