 
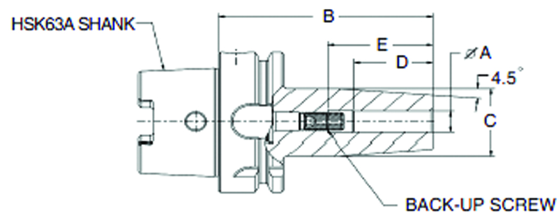
        8mm HSK63A Shrink Fit Toolholder - 160mm Gauge Length
Item #: GM30638M160D
Manufacturer: Briney
Mfg #: HSK63ASF-8
Technical Specifications:
*Bearing Surface: 1.024 *Bore Diameter: 8mm *Brand Name: Briney *Gage Length: 160mm *Outside Diameter: .984 *Shank: HSK63A *Standard: DIN *Type: HSK Shrink Fit
Description:
Shipping Info:
*Actual Weight - 4.0000
2% Off All Online Orders
Use Code: 2%OFF
Best Price Guarantee - Email Us A Better Published Price and We'll Beat It
