
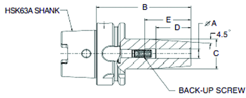
18mm HSK63A Shrink Fit Toolholder - 160mm Gauge Length
Item #: GM306318M160D
Manufacturer: Briney
Mfg #: HSK63ASF-1
Technical Specifications:
*Bearing Surface: 1.575 *Bore Diameter: 18mm *Brand Name: Briney *Gage Length: 160mm *Outside Diameter: 1.575 *Shank: HSK63A *Standard: DIN *Type: HSK Shrink Fit
Description:
Shipping Info:
*Actual Weight - 5.0000
2% Off All Online Orders
Use Code: 2%OFF
Best Price Guarantee - Email Us A Better Published Price and We'll Beat It