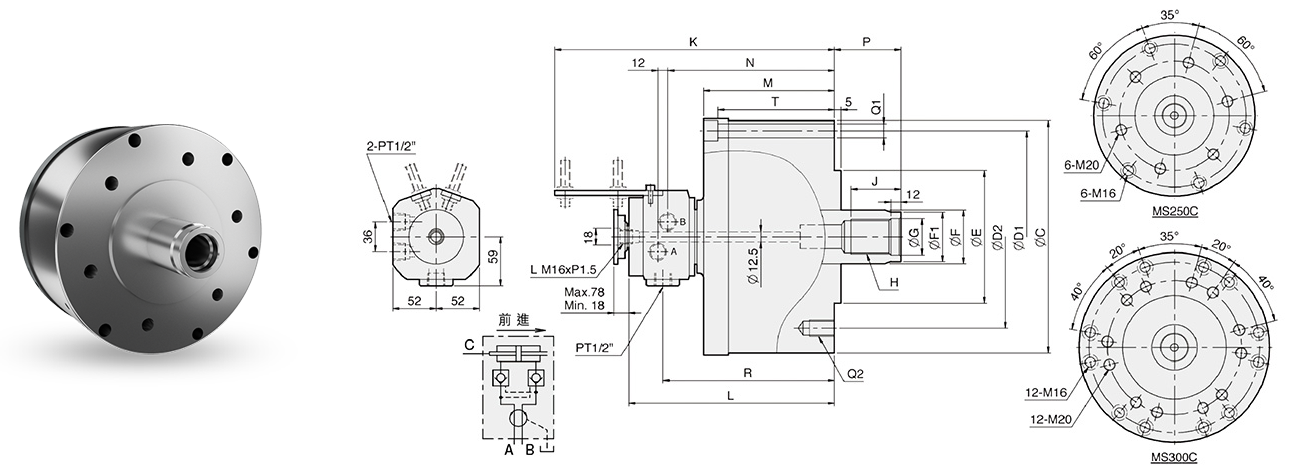
MS250C/MS300C Hydraulic Cylinder

(valve and switch brackets included)
- Through-hole for coolant, oil or air with thread for rotary unit.
- Mounting from the rear or front side.
- Built-in safety check valves and bracket for proximity switch. (The proximity switches are extra option.)
| Piston Dia. (mm) |
Piston Area (cm²) |
Max. Draw Bar Force kN(kgf) |
Piston Stroke (mm) |
Max. Operating Pressure MPa(kgf / cm² |
Max. Speed (r.p.m.) |
Moment Of Inertia I (kg.m²) |
Weight (kg) |
Total Leakage L/min |
SPEC Part Number | Price Each | ||
| Push Side | Pull Side | Push Side | Pull Side | |||||||||
| 250 | 481.5 | 453.6 | 227(23147) | 214(21822) | 60 | 4.9(50) | 2000 | 0.87 | 78 | 2 | MS250C | Call or Email |
| 300 | 697.5 | 658.6 | 262(26716) | 247(25186) | 60 | 4.0(40.8) | 1500 | 1.6 | 106 | 3 | MS300C | Call or Email |
| C | D1 | D2 | E (h7) |
F | F1 | G | H | J | K | L | M | N | P max. |
P min. |
Q1 | Q2 | R | T | DIM Part Number | Price Each |
| 300 | 275 | 220 | 160 | 65 | 62 | 44 | M42x3.0 | 60 | 356 | 267 | 177 | 220 | 85 | 25 | 6-Ø17 | 6-M20x30 | 226 | 160 | MS250C | Call or Email |
| 355 | 330 | 270 | 210 | 75 | 70 | 50 | M48x3.0 | 70 | 359 | 270 | 182 | 223 | 85 | 25 | 12-Ø17 | 12-M20x30 | 229 | 165 | MS300C | Call or Email |